欢迎来到:上海乐美德智能设备有限公司
关于我们
联系我们
Language:简体中文
English
简体中文
繁體中文
Français
Русский язык
しろうと
بالعربية
流体系统
智能集成制造商
定制热线
0512-57605966
首页
关于乐美德
走进乐美德
组织架构
资质体系认证
联系我们
解决方案
新闻中心
产品中心
生产线
骨汤 、骨素及骨肽生产线
乳制品加工生产线
提取型饮料加工生产线
番茄/胡萝卜/枸杞/沙棘类蔬菜加工生产线
柑橘类水果加工生产线
苹果/ 梨类水果加工生产线
芒果加工生产线
桃/杏/李子类水果加工生产线
枣/ 山楂类水果加工生产线
植物蛋白饮料加工生产线
灌装机
无菌大袋灌装机
BIB盒中袋无菌灌装机
杀菌机
无菌列管式超高温杀菌机 (UHT )
套管杀菌机
板式超高温杀菌机
连续式喷淋杀菌机
水浴连续巴式杀菌机
全自动倒瓶杀菌机
清洗机
鼓泡清洗机
毛刷清洗机
CIP清洗系统
打浆机
单道打浆机
双道打浆机
高速打浆机
不锈钢罐体
不锈钢单层储罐
不锈钢双层储罐系列
不锈钢三层冷热缸系列
不锈钢高剪切乳化罐
不锈钢浆式搅拌储罐
不锈钢双层侧搅拌储罐系列
不锈钢混合调配罐
不锈钢发酵罐
不锈钢萃取罐
其他
加热模块
卧式烹煮器/ 冷却装置
降膜蒸发器
强制循环蒸发器
板式提升机
滚杠式捡果机
锤片式破碎机
带式压榨机
冷去核机
预热灭酶机
在线留言
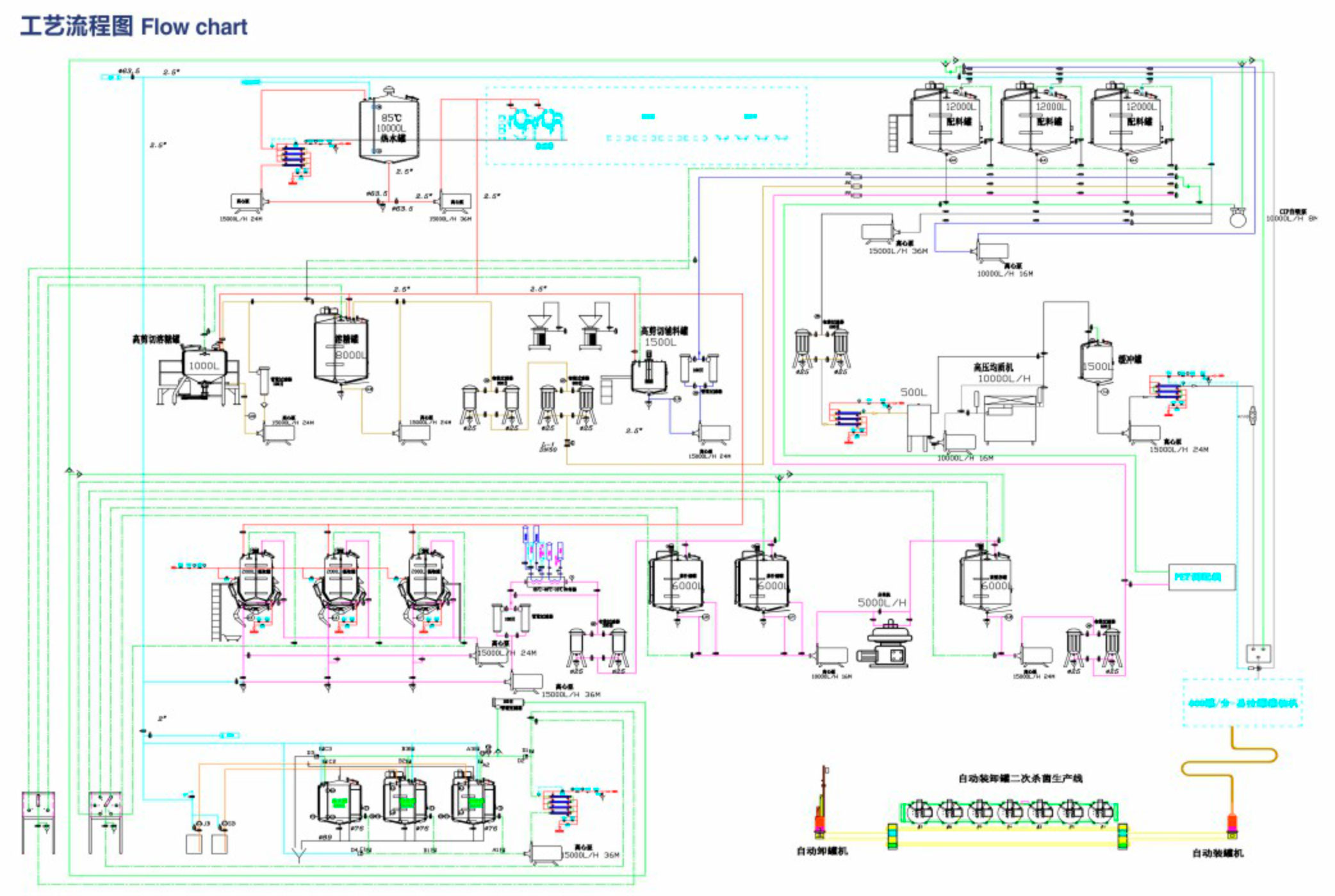
首页
产品中心
生产线
茶饮料加工生产线
询价
返回
顶部